Kundenlogin
Kundenlogin
Merkzettel
0
Suche
Alle
Alle
Herde & Backöfen
Kochfelder
Geschirrspüler
Mikrowellen
Küchentechnik
Wärmeschubladen
Dunstabzugshauben
Kühl- & Gefrierschränke
Kaffeeautomaten
Waschmaschinen
Trockner
Staubsauger
Bügelgeräte
Küchengeräte
Warmwassergeräte
Küchen & Miniküchen
Küchenspülen
Küchenarmaturen
Einbau-Mülleimer
Badarmaturen
Backöfen
Kaffeemaschinen
Kochfelder
Dunstabzugshauben
Kühlschränke
Weinschränke
Geschirrspüler
Waschmaschinen
Zubehör
Siemens studioLine
Alle
Herde & Backöfen
Kochfelder
Geschirrspüler
Mikrowellen
Küchentechnik
Wärmeschubladen
Dunstabzugshauben
Kühl- & Gefrierschränke
Kaffeeautomaten
Waschmaschinen
Trockner
Staubsauger
Bügelgeräte
Küchengeräte
Warmwassergeräte
Küchen & Miniküchen
Küchenspülen
Küchenarmaturen
Einbau-Mülleimer
Badarmaturen
Backöfen
Kaffeemaschinen
Kochfelder
Dunstabzugshauben
Kühlschränke
Weinschränke
Geschirrspüler
Waschmaschinen
Zubehör
Siemens studioLine
Ihr Warenkorb
0,00 EUR
Sie haben noch keine Artikel in Ihrem Warenkorb.
JavaScript ist in Ihrem Browser deaktiviert. Aktivieren Sie JavaScript, um alle Funktionen des Shops nutzen und alle Inhalte sehen zu können.
Herde & Backöfen
Kochfelder
Geschirrspüler
Mikrowellen
Küchentechnik
Küchentechnik anzeigen
Stützelemente
Lüftungstechnik
Montagematerial
Lichttechnik
Steckdoseneinheiten
Relingsysteme
Ausstattungsergänzung
Sockelgeräte
Küchenmöbel
Küchentechnik anzeigen
Wärmeschubladen
Dunstabzugshauben
Kühl- & Gefrierschränke
Kaffeeautomaten
Waschmaschinen
Trockner
Staubsauger
Bügelgeräte
Küchengeräte
Küchengeräte anzeigen
Allesschneider
Küchenmaschinen
Mixer
Toaster
Wasserkocher
Sonstiges
Zubehör
Küchengeräte anzeigen
Warmwassergeräte
Küchen & Miniküchen
Küchenspülen
Küchenarmaturen
Einbau-Mülleimer
Badarmaturen
Siemens studioLine
Marken
Marken
Weitere
Startseite
»
Küchentechnik
»
Stützelemente
»
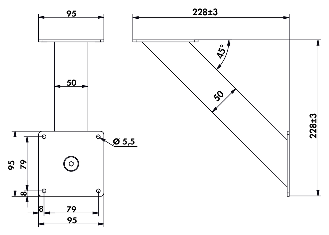
Typ 51, Konsole, edelstahlfarbig, H 228 mm
« Erster
« zurück
weiter »
Letzter »
158
Artikel in dieser Kategorie
Typ 51, Konsole, edelstahlfarbig, H 228 mm
Typ 51, Konsole, edelstahlfarbig, H 228 mm
Art.Nr.:
1147096
Lieferzeit:
Auf Lager - 1-3 Arbeitstage
Datenblatt drucken
65,00 EUR
inkl. 19% MwSt. zzgl.
Versand
ab 6,95 EUR
In den Warenkorb
Auf den Merkzettel
Beschreibung
Beschreibung
Konsole. Für Korpusbefestigung
- schräg
- Aluminiumprofil 50 x 50 mm
- max. Tragkraft pro Paar von ca. 30 kg bei gleichmäßig verteilter Last
- bei einem max. Abstand der Konsolen von 900 mm und einem max. Überstand der Platten von 250 mm
{{#title}}
{{title}}
{{/title}}
{{{items.src}}}
{{#showButtons}} {{/showButtons}}
{{#content}}
{{.}}
{{/content}}
{{#content}}
{{{.}}}
{{/content}}